该产品具有窄线宽、高出光功率、波长稳定、噪声低、功耗低、可靠性高等特点,是一款性能优越的半导体激光器产品。

中心波长 1550nm 超窄线宽单频激光器是集硅光子芯片技术、ECL外腔激光技术、先进的封装工艺为一体的高性能半导体激光器产品。
该产品具有窄线宽、高出光功率、波长稳定、噪声低、功耗低、可靠性高等特点。是一款性能优越的半导体激光器产品。
该产品可以使用在激光雷达、相干探测、光纤传感、医疗光子、科研设备、3D 测绘及其它领域,亦可根据客户的应用需求进行定制。
极限参数:
使用过程中,环境条件及参数设置不可超过如下极限值;否则可能会导致器件的性能不良,缩短产品寿命,或造成器件损坏。因此导致的任何产品问题不在保修范围内。
| 规格参数 | 简称 | 条件 | Min. | Type. | Max. | Unit |
|---|---|---|---|---|---|---|
| 存储温度 | Ts | -40 | 85 | ℃ | ||
| LD 正向电压 | VLD | 1.6 | 1.8 | V | ||
| LD正向电流 | ILD | 300 | mA | |||
| TEC 电流 | ITEC | 1.5 | A | |||
| TEC 电压 | VTEC | 3 | V |
光学及电气参数(TLD=25℃)
| 规格参数 | 简称 | 条件 | 最小值 | 典型值 | 最大值 | 单位 |
|---|---|---|---|---|---|---|
| 阈值电流 | Ith | CW | 35 | mA | ||
| 中心波长 | λC | 1530 | 1550.12 | 1565 | nm | |
| 出纤光功率 | Pf | CW | 10 | mW | ||
| 洛伦兹线宽* | FWHM | CW | 2 | kHz | ||
| 光噪声 | PhN | 光噪声@10Hz | 7E+05 | Hz rms^2/Hz | ||
| 光噪声 | PhN | 光噪声@200Hz | 6E+03 | Hz rms^2/Hz | ||
| 相对强度噪声 | RIN | ≥1kHz | -140 | dB/Hz | ||
| 边摸抑制比 | SMSR | CW | 55 | dB | ||
| 偏正消光比 | PER | CW | 20 | dB | ||
| 光隔离度 | ISO | 50 | dB | |||
| TEC 设定温度 | TTEC | CW | 15 | 45 | ℃ | |
| 运行温度 | To | -20 | 70 | ℃ | ||
| 运行湿度 | % | 5 | 85 | % |
*延时自外差法测定洛伦兹线宽

典型洛伦兹线宽(1.12kHz)

典型光噪声测试结果

典型 RIN 值测试结果(<-140dBc/Hz@1kHz)
| 引脚 | 描述 | 引脚 | 描述 |
|---|---|---|---|
| 1 | 制冷器阳极 ( TEC +) | 8 | NC |
| 2 | 热敏电阻( Thermistors) | 9 | NC |
| 3 | 背光探测器阳极( PD -) | 10 | 激光器阳极(LD+) |
| 4 | 背光探测器阴极( PD +) | 11 | 激光器阳极(LD+) |
| 5 | 热敏电阻( Thermistors) | 12 | NC |
| 6 | NC | 13 | 管壳(Case) |
| 7 | NC | 14 | 制冷器阴极 ( TEC -) |

| 编号 | 部件描述 | 参数 | 单位 | 备注 |
|---|---|---|---|---|
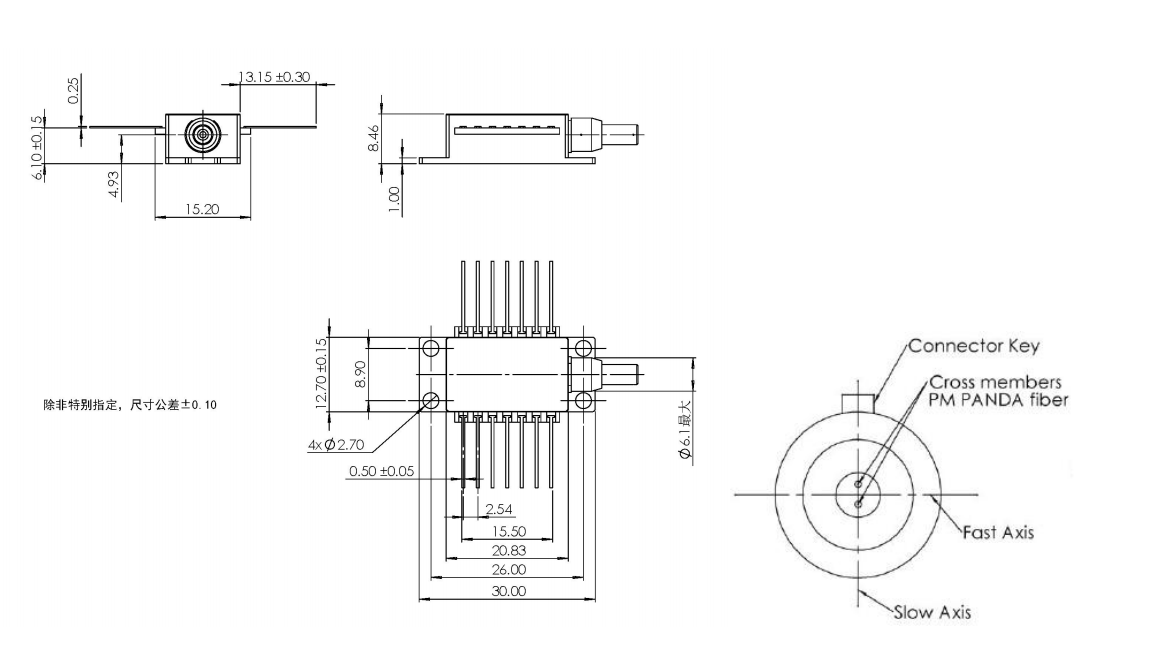
| 1 | 尾纤类型 | 熊猫型 PMF φ0.9mm 红色 | SMF/PMF 可选 | |
| 2 | 尾纤长度 | 1200±10 | mm | |
| 3 | 接口类型 | FC/APC |
2K线宽
3K线宽
5K线宽