< >

1550nm 3k窄线宽激光模块 光纤传感

产品概述:

中心波长 1550nm 超窄线宽单频激光模块是集硅光子芯片技术、ECL 外腔激光技术、先进的封装工艺、低噪声,高精密的电路设计为一体的高性能半导体激光光源模块产品。

产品型号:UNL-1550-3
微信头像
技术支持:黄工 13427781756 (微信同号|可扫码
由于产品的规格型号参数太多,所以页面上没有您要找的参数,并不代表我们没有相应的产品;添加微信,直接问吧这样更高效!

产品介绍


概述

中心波长1550nm超窄线宽单频激光模块是集硅光子芯片技术、ECL外腔激光技术、先进的封装工艺、低噪声,高精密的电路设计为一体的高性能半导体激光光源模块产品。

该模块具有超窄线宽、高出光功率、波长稳定、噪声低、功耗低、易于使用等特点,是一款性能优越的半导体激光模块产品。

该模块可以使用在激光雷达、相干探测、光纤传感、医疗光子、科研设备、3D测绘及其它领域,亦可根据客户的应用需求进行定制。

特点

超窄线宽(≤3kHz、单频中心波长1550nm,支持C波段任意波长定、出光功率及波长稳定、高输出光功率、RIN噪声、低功耗、低噪声高精密电路设计

应用

蒋光雷达、相干探测、光纤传感、医疗光子、科研设备、3D测绘

规格

光学及电气数据(TLD=30℃)

参数简符条件最小值典型值最大值
阈值电流IthCW 35 mA 
中心波长λC 1535 nm1550 nm1565 nm
出纤光功率PfCW 10 mW 
洛伦兹线宽*FWHMCW  3 kHz
相对强度噪声RIN1 kHz  -145 dB/Hz
边模抑制比SMSRCW 60 dB 
偏振消光比PERCW20 dB  
光隔离度ISO  50 dB 
TEC设定温度TTECCW15℃ 45℃
运行温度TO -20℃ 60℃
运行湿度% 5% 85%

*延时自外差法测试洛伦兹线宽

                                          典型洛伦兹线宽(2kHz)

1736242224187.jpg

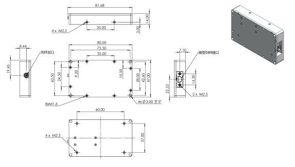
机械尺寸

1736242264381.jpg
管脚定义
1、6DC 5V
2板子Tx,接USB转TTL的Rx
3板子Rx,接USB转TTL的Tx
5、9GND

尺寸及电器数据

项目参数配置
外观尺寸L×W×H=81.68×47.00×14.00(mm)
内置尾纤类型SMF/PMF
连接器FC/APC 
电源DC 5V/3A
数据接口矩形连接器DB9 定义如上图
安全控制Interlock

注意:

  • 操作时务必佩戴防护镜,因为高功率激光可能对眼睛有害
  • 附近的操作人员应佩戴防护镜,以避免激光反射造成伤害


微信二维码

扫码添加微信

13427781756
联系电话