Features:
Application:
技术参数
| 参数/型号 | 1310 | 1550 | C+L 1525~1610 | 1310/1490双窗 | 8,501,310 |
|---|---|---|---|---|---|
| 工作波长(nm) | 1310±40 | 1550±40 | 用全波物料 | 1310±40& 1490±40 | 850±40 or1310± 40 |
| 衰减范围(dB) | 0.6~60 | 0.6~60 | 0.8~60 | 0.8~40 | |
| 固有损耗(dB) | ≤0.6 | ≤0.6 | ≤0.8 | ≤0.8 | |
| 回波损耗(dB) | ≥50 | ≥30 | |||
| 偏振相关损耗(dB) | ≤0.10 | ||||
| 调节精度(dB) | 0.02 | ||||
| 光纤类型 | SMF-28e | 50/125 or 62.5/125多模 | |||
| 功率(mW) | ≤500 | ||||
| 拉伸载荷(N) | ≤5 | ||||
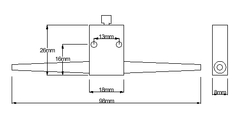
| 封装尺寸(mm | 26×18×8 | ||||
| 工作温度(℃) | 0~+70 | ||||
| 储存温度(℃) | -40~+85 | ||||
以上参数不含头。含头回损降低5dB,插损增大0.3dB

| 型号 | 调整类型 | 工作波长 | 尾纤类型 | 光纤类型 | 接头 |
|---|---|---|---|---|---|
| C=Collimator | 0=一字螺丝刀调整 1=手动调整 | 13=1310nm 15=1550nm 85=850nm | O=250μ m 1=900μ m 2=2mm 3=3mm | O=SMF-28e, 1=HI1060 2=50/125, 3=62.5/125 | FC/APC FC/PC SC/APC etc |
光隔离器是一种防止反射光影响系统稳定性的光纤器件,作用机理为允许正向光通过,同时隔离反向传输的光,防止反射和回波干扰,减少干扰和噪声的影响,确保光信号的传输质量和稳定性。
光环形器/光耦合器的用途是什么?光分路器耦合器就是将一根光纤传输的光按比例分离到两根或数跟光纤中,也可以反向耦合两根光纤中传输的光到一根光纤传输,这种设备在光纤通信中扮演重要角色,常见1:99; 50:50等分光比。
光环形器的原理是什么,三端口光环形器的光路走向是什么样的?
光开关的原理是什么,光开关的作用,分布式光纤温度测量DTS使用什么样的光开关。
ITU波长表,方便我们定制无源器件的时候查看。