C 波段 10 GHz 相位调制器可用于干涉型光纤传感,频率移频,调频光谱分析,激光相干合束等应用。

该相位调制器, 具有低驱动电压的高线性度和小封装尺寸等特点,而其带宽覆盖至10 GHz,能满足更高端的要求和提供更合适的解决方案。

| Parameter | Conditions | Min | Typ | Max | Unit |
|---|---|---|---|---|---|
| Optical | |||||
| Operating Wavelength Range | 1530 | - | 1565 | nm | |
| Insertion Loss,IL | No connectors With connectors | - | 2.5 3.0 | 3.5 4.0 | dB |
| Optical Return Loss,RL | No connectors | - | 45 | - | dB |
| Polarization Dependent Loss | - | 10 | - | dB | |
| Electrical | |||||
| S21Electro-optic Bandwidth | -3 dBe | 10 | 12 | - | GHz |
| △S₂,Ripple | - | - | 0.5 | 1.0 | dB |
| S₁₁Electrical Return Loss | - | - | -15 | -10 | dB |
| RFV,Voltage | @50 kHz @10 GHz | - | 46 | 57 | V V |
| RF Input lmpedance | - | 50 | - | Ω | |
| Pinout and Fiber Specifications | |||||
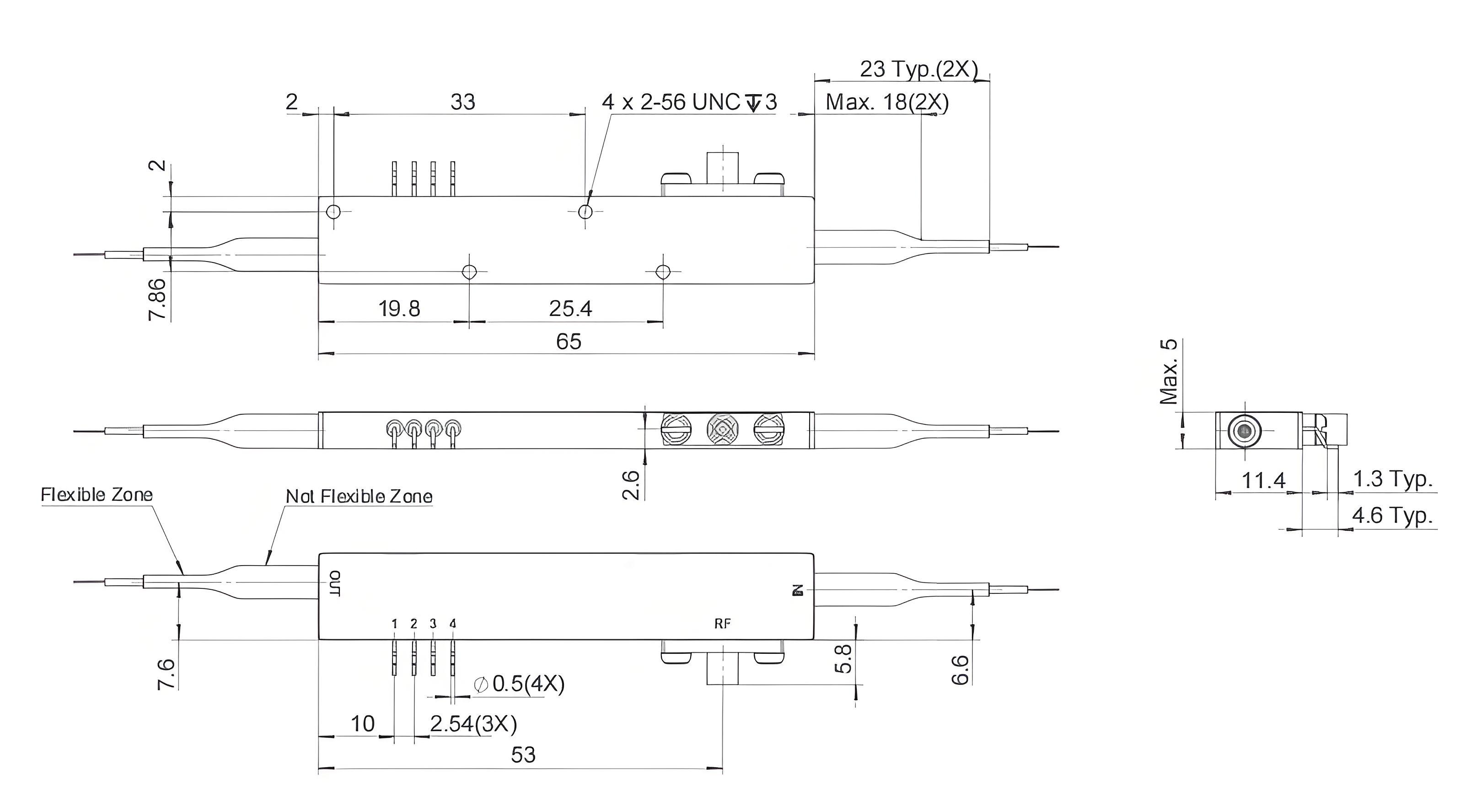
| RF Connector | GPO male | ||||
| Ground | LEAD pins | ||||
| Input Fiber | Corning/Fujikura SM15P UV/UV250(Panda Fiber),>1.5m,900 μm loose tube fiber | ||||
| Output Fiber | Corning/Fujikura SM15P UV/UV250(Panda Fiber),>1.5m,900 μm loose tube fiber | ||||
| Parameter | Conditions | Min | Max | Unit |
|---|---|---|---|---|
| Maximum Input Power(Electrical) | RF portAC coupled | - | 28 | dBm |
| Maximum Input Power(Optical) | CW | - | 20 | dBm |
| Operating Case Temperature | - | 0 | +70 | ℃ |
| Storage Temperature | - | -40 | +85 | ℃ |
| Maximum Operating Temperature Variation Rate | - | 1 | ℃/min | |
| Operating Humidity | - | 5 | 85 | % |
| Leads Soldering Temperature | - | - | +250 | ℃ |
| Leads Soldering Time | - | - | 10 | S |
* All requirements at Top = 25 °C, wavelength 1550 nm and BOL unless otherwise specified.
