< >

DET40 偏压光电探测器

产品概述:

DET40是一种即用型高速光电探测器,适用于自由空间光学系统,探测器有两种光谱范围可选,分别是320-1000nm和1000-1700nm。

产品型号:DET40
微信头像
技术支持:黄工 13427781756 (微信同号|可扫码
由于产品的规格型号参数太多,所以页面上没有您要找的参数,并不代表我们没有相应的产品;添加微信,直接问吧这样更高效!

产品介绍


概述

DET40是一种即用型高速光电探测器,适用于自由空间光学系统。该装置包括一块电路板、探测器和射频连接器,封装在一个紧凑的铝制外壳中。输出端使用SMA连接器,以减小尺寸并最大限度的提高频率响应,最大带宽为5GHz。探测器有两种光谱范围可选,分别是320-1000nm和1000-1700nm。

特点

  • 五种型号覆盖波长范围320-1700nm
  • 带宽从100MHz到5GHz
  • 上升时间从3.5ns到350ps
  • 体积小

应用

  • 模拟微波
  • 激光脉宽测量


规格

型号DET40A-100MDET40A-500MDET40A-1GDET40C-2GDET40C-5G
材料SiInGaAs
波长范围320-1000nm1000-1700nm
光敏区域直径1.2mm0.8mm0.4mm70um40um
响应度0.64A/W @920nm0.57A/W @800nm0.52A/W @760nm0.90A/W @1550nm
带宽aDC-100MHzDC-500MHzDC-1GHzDC-2GHzDC-5GHz
上升时间a3.5ns0.8ns350ps180ps80ps
损伤阈值15mW15mW15mW5mW4mW
偏置电压10V10V3.3V5V5V
输出阻抗50Ω
输出耦合方式DC
输出接头SMA female
工作电压12VDC
工作温度-20~65℃
存储温度-40~85℃

备注:
a 对于50Ω负载


原理框图

9790ca525d64846a2bc1b8bf3eea180f.png


操作步骤

  • 调整示波器的电压格度到10mV/div,设置示波器的输入阻抗为50Ω;
  • 用同轴电缆将探测器的输出和示波器的输入连接;
  • 确保探测器接收的功率在饱和功率以内,然后打开待测光源并对准光敏区域;
  • 观察示波器的波形。

注:我们使用负载电阻R将光电流I转换成电压V,以便在示波器上查看:V = I x R

负载电阻会影响响应速度,为了获得最大带宽,我们建议使用50欧姆同轴电缆,并在电缆另一端使用50欧姆终端电阻,以进行阻抗匹配。如果带宽不重要,可以通过增益负载电阻来增加特定光照下的电压量。同轴电缆的长度会对响应产生深远影响,因此建议尽可能缩短电缆。


响应曲线

664b238e4e9ba93007993427c821cdcf.pnge1b002ab22f6dcac19f342cc81f84f24.png

备注:响应曲线为典型值,仅供参考。


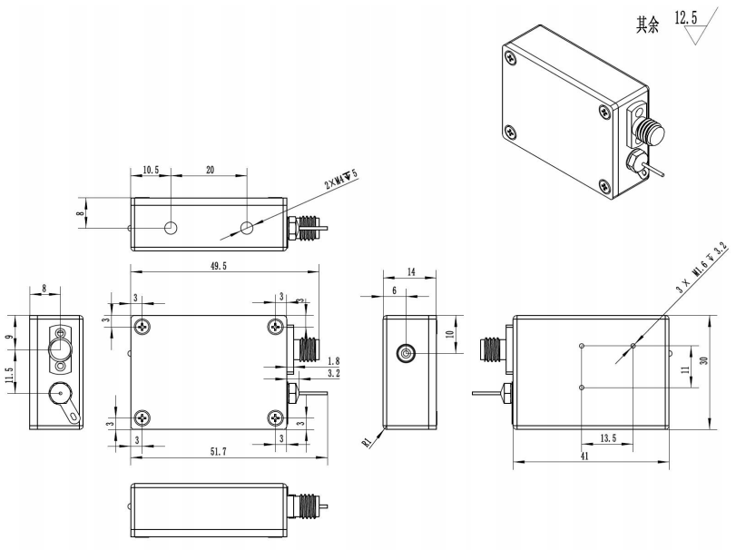
机械尺寸

d8c5cb2554d9c9afc61d49af8e2dba85.png


发货清单

序号物资名称数量单位备注
1光电探测器1 
2SMA转BNC射频线1


微信二维码

扫码添加微信

13427781756
联系电话