< >

90度光混频器

产品概述:

GN013 型 90 度光混频器采用硅基二氧化硅单片集成,气密封装在金属腔体中。

产品型号:90-Hybrid
微信头像
技术支持:黄工 13427781756 (微信同号|可扫码
由于产品的规格型号参数太多,所以页面上没有您要找的参数,并不代表我们没有相应的产品;添加微信,直接问吧这样更高效!

产品介绍


概述

GN013 型 90 度光混频器采用硅基二氧化硅单片集成,气密封装在金属腔体中。

特点

单片集成、小型化、保偏光纤输入、气密性封装

应用

DPSK/DQPSK光通信系统、多普勒激光雷达测量、高速测试测量、相干光系统

规格

参数最小值典型值最大值
工作波长范围1535 nm-1565 nm
净插入损耗-1.0 dB2.0 dB
通道间插入损耗一致性-0.5 dB1.0 dB
双态插损一致性-0.4 dB0.7 dB
IQ相位偏移-5 -+5
光回波损耗30 dB--
延时-0.5 ps1.5 ps
承受光功率50 mW--

绝对最大额定值

参数额定值
储存温度范围TSTG-35 ~ +80
工作温度范围TC-20 ~ +60
最大输入光功率Pin_B100 mW
光纤最小弯曲半径20 mm

储存使用要求

储存和使用

  • 器件应储存在温度为-10~+40和相对湿度不大于80%的通风、无腐蚀性气体影响的洁净坏境
  • 储存和使用过程中避免外来物理损坏及光纤连接端头污染

器件安装

  • 器件应用时参数设计不应超过其最大额定值
  • 器件测试安装应轻拿轻放,避免光纤折损

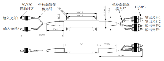
机械尺寸

1736413475066.jpg引线定义

光纤端口功能
输入光纤1(保偏光纤)
信号光
输入光纤2(保偏光纤)
本振光
输入光纤1(单模光纤)
0度
输入光纤2(单模光纤)
180度
输入光纤3(单模光纤)
90度
输入光纤4(单模光纤)
270度

相关知识


视频演示光隔离器的原理及用途

光隔离器是一种防止反射光影响系统稳定性的光纤器件,作用机理为允许正向光通过,同时隔离反向传输的光,防止反射和回波干扰,减少干扰和噪声的影响,确保光信号的传输质量和稳定性。

光耦合器,光分路器的用途是什么?

光环形器/光耦合器的用途是什么?光分路器耦合器就是将一根光纤传输的光按比例分离到两根或数跟光纤中,也可以反向耦合两根光纤中传输的光到一根光纤传输,这种设备在光纤通信中扮演重要角色,常见1:99; 50:50等分光比。

光环形器的原理是什么?

光环形器的原理是什么,三端口光环形器的光路走向是什么样的?

光开关的原理是什么?DTS用什么样的光开关

光开关的原理是什么,光开关的作用,分布式光纤温度测量DTS使用什么样的光开关。

ITU波长表

ITU波长表,方便我们定制无源器件的时候查看。

生产车间



微信二维码

扫码添加微信

13427781756
联系电话