< >

MEMS 1×N光开关模块

产品概述:

MEMS 1×N光开关模块采用模块化封装,切换速度快,插损低、重复性好,高可靠性高稳定性等特性,常应用于城域网,数据中心,光纤传感与监测,仪器仪表等。

产品型号:MEMS 1×N
微信头像
技术支持:黄工 13427781756 (微信同号|可扫码
由于产品的规格型号参数太多,所以页面上没有您要找的参数,并不代表我们没有相应的产品;添加微信,直接问吧这样更高效!

产品介绍


特点

模块化封装,切换速度快,插损低,重复性好,高可靠性和高稳定性

应用

城域网,数据中心,光纤传感与监测,仪器仪表

光路图

                                           1701328438661.jpg


规格(单模)

参数 单位
MEMS 1×N-SM
工作波长 nm O/C/L/L+ band
测试波长 nm 1310/1550/1625/1650
插入损耗 dB @CWL Single-band @CWL Dual-band
≤0.8 (N≤8) ≤1.0 (N≤8)
≤1.0 (8<N≤16) ≤1.2 (8<N≤16)
≤1.3 (16<N≤32) ≤1.5 (16<N≤32)
≤1.5 (32<N≤64) ≤1.7 (32<N≤64)
≤2.0 (64<N≤144) ≤2.2 (64<N≤144)
≤2.2 (144<N≤256) ≤2.4 (144<N≤256)
 波长相关损耗 dB ≤0.3 (N≤64)
≤0.4 (64<N≤144)
≤0.5 (144<N≤256)
 偏振相关损耗 dB ≤0.15
 回波损耗 dB ≥45
 串扰 dB ≥50
 重复性 dB ≤±0.05
 切换时间 ms ≤15
 寿命 times ≥10^9
 最大光功率 mW ≤500
 工作电压 V DC 5V±10%
 工作电流 mA ≤50 (N≤16)
≤250 (16<N≤64)
≤350 (64<N≤144)
≤500 (144<N≤256)
 工作温度 °C -20 ~ +85
 存储温度 °C -40 ~ +85
 封装尺寸 mm M1: 34×24×11 ±0.2 (N≤64, Bare Fiber)
M2: 60×24×11 ±0.2 (N≤16, Loose Tube)
M3: 90×55×12 ±0.2 (16<N≤64, Loose Tube)
M4: 100×100×12 ±0.2 (64<N≤144, Loose Tube)
M5: 110×141×12 ±0.2 (144<N≤256, Loose Tube)

1.所有参数均在室温工作环境下测试;

2.所有参数均不包括连接头插入损耗。

3.波长相关损耗测试范围为±20nm。

规格(多模)

参数 单位 MEMS 1×N-MM
工作波长 nm 850±30, 1310±30
测试波长 nm 850/1310
插入损耗 dB @CWL Single-band @CWL Dual-band
≤0.8 (N≤12) ≤1.0 (N≤12)
≤1.0 (12<N≤16) ≤1.2 (12<N≤16)
≤1.8 (16<N≤128) ≤2.0 (16<N≤128)
 波长相关损耗 dB ≤0.3 (N≤16)
≤0.4 (16<N≤128)
 偏振相关损耗 dB ≤0.2
 回波损耗 dB ≥30
 串扰 dB ≥30
 重复性 dB ≤±0.05
 切换时间 ms ≤15
 寿命 times ≥109
 最大光功率 mW ≤500
 工作电压 V DC 5V±10%
 工作电流 mA ≤50 (N≤16)
≤250 (16<N≤64)
≤350 (64<N≤128)
 工作温度 °C -20 ~ +85
 存储温度 °C -40 ~ +85
 封装尺寸 mm M1: 34×24×11 ±0.2 (N≤16, Bare Fiber)
M2: 60×24×11 ±0.2 (N≤16, Loose Tube)
M3: 90×55×12 ±0.2 (16<N≤64, Loose Tube)
M4: 100×100×12 ±0.2 (64<N≤128, Loose Tube)

1.所有参数均在室温工作环境下测试;

2.所有参数均不包括连接头插入损耗。

3.波长相关损耗测试范围为±20nm。


管脚定义

管脚编号
管脚编号
管脚定义
信号方向、类型
功能说明
M1/M2
M3/M4/M5



51D0Input数据位D0(低位)
 2D5Input数据位D5
23VCCPower工作电源,DC 5V,1.0A
 4D7Input数据位D7(高位)
 5D6Input数据位D6
46GNDPowerGND
 7D4Input数据位D4
68D1Input数据位D1
99TXDOutput串口数据发送端(TTL电平串口)
1010RXDInput串口数据接收端(TTL电平串口)
711D2Input数据位D2
812D3Input数据位D3
1213/BUSYOutput低电平准备复位或接收数据。
 14/ALARMOutput高电平表示光模块运行错误。
315/STROBEInput下降沿执行数据位。
1416/RESETInput低电平复位到通道0。
11 GNDPowerGND
13 MODE 低电平数据位控制切换,高电平UART控制切换
1 NC 悬空


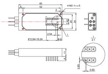
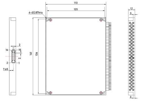
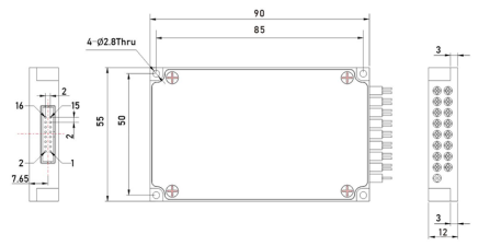
封装尺寸

3562a53a0c4c7c8381e7aaaf23fcc72.png

M1:34×24×11mm

5239781061d7bfa1cf21ba0398e5611.png

M2:60×24×11mm

cdd3d818a0c3345e3493af6cc461917.png

M3: 90×55×12mm

69cce674d9c7003820bc72587eea1a7.png

M4: 100×100×12mm

d72dcf73f734f136da39b7e6ee86931.png

M5:110×141×12mm

订购信息

MEMS N-11-22-33-4-5-66

11:类型
22:波长
33:封装尺寸
SM=单模
MM=多模
85=850nm
13=1310nm
15=1550nm
162=1625nm
13/15=1310/1550nm
SSSS=Specify
M1=34×24×11mm
M2=60×24×11mm
M3=90×55×12mm
M4=100×100×12mm
M5=110×141×12mm
SS=Specify
4:光纤类型
555:光纤直径
66:连接头
7:长度
5=50/125
6=62.5/125
9=9/125
025= Φ0.25mm
09=Φ0.9mm
SSS=Specify
00=None
FP=FC/UPC
FA=FC/APC
SP=SC/UPC
SA=SC/APC
LP=LC/UPC
LA=LC/APC
05=0.5m
10=1.0m
15=1.5m


微信二维码

扫码添加微信

13427781756
联系电话